Všechny kategorie

Protržený motor

Domovská stránka >  Produkty >  Krokový Motor >  Protržený motor

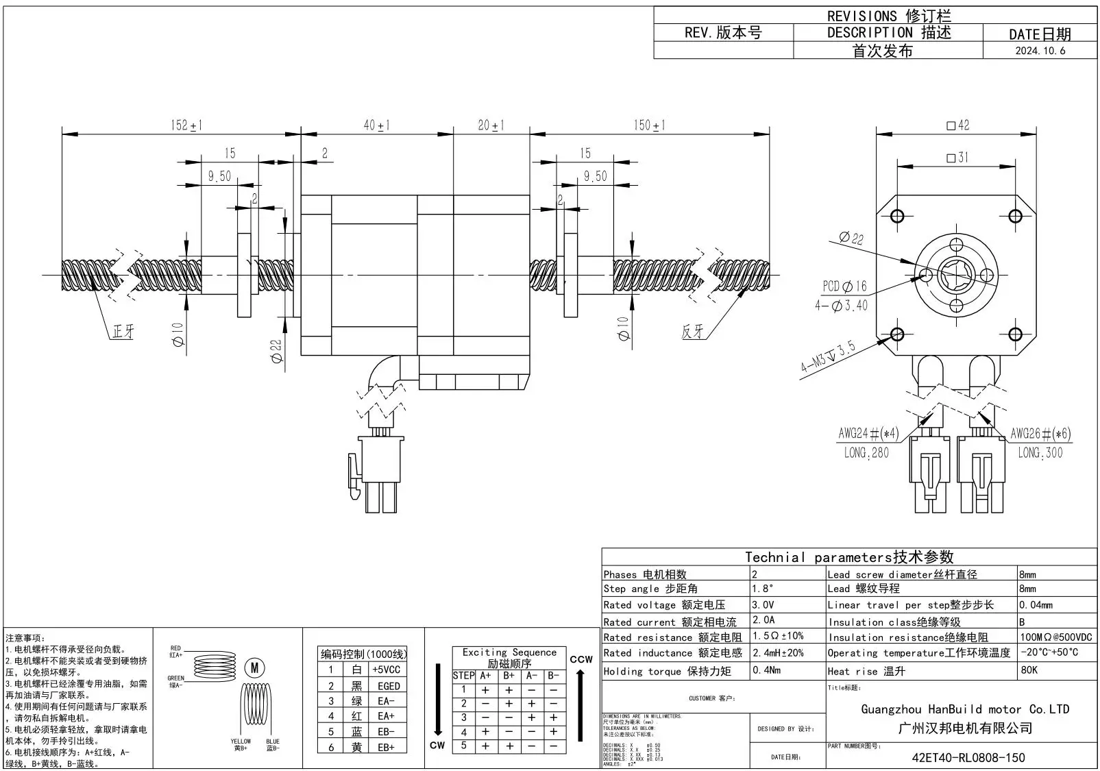
HANPOSE 42ET40/34/48/60-RL8X8 Kladný a záporný zub, krokový motor s uzavřeným obvodem a lichoběžníkovým šroubem, kompatibilní s maticí

  • Přehled
  • Doporučené produkty
Popis produktů
Obrázky s detaily
Společenský profil
Průběh výroby
Zařízení
CERTIFIKACE
Výstava
Produktní balení

Získejte bezplatnou cenovou nabídku

Náš zástupce vám brzy zavolá.
E-mail
Jméno
Název společnosti
Zpráva
0/1000