HANPOSE Servomotor de Alto Rendimiento 1.7A 200W 60SS20 60SS40 80SS75 IP65 con Reducción Armónica
- Descripción general
- Productos recomendados
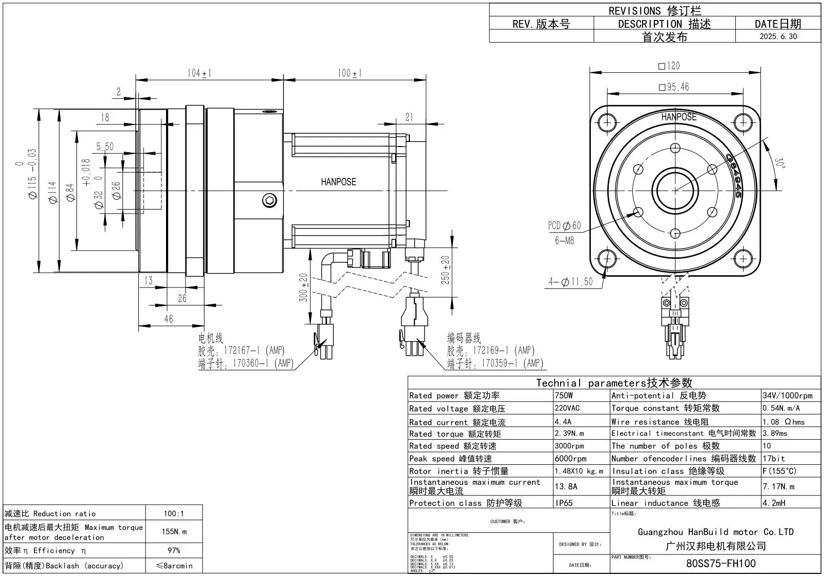
Modelo |
60SS20 60SS40 80SS75 |
Anti-potencial |
23V/1000rpm |
Ángulo de paso |
1.8° |
Corriente nominal |
1.7a |
Potencia de Salida |
735-746 (incluye 746) |
Par motor pico |
1.91N.M |














