Página de Inicio > Productos > Motor De Paso > Motor de tornillo T
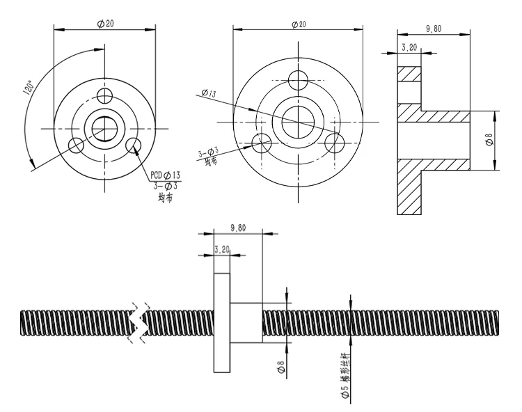
HANPOSE Nema17 42 Motor de Tornillo de Eje Fijo 42HF34-T8*4-20 0.4n.M 34mm 1.5a Cilindro Eléctrico Miniatura Motor Paso a Paso
HANPOSE Motor 23HS10028-DM542S DriveSet Torque 260N.CM 2.8A 100mm Motor paso a paso para máquina de fresado CNC Kit de motor paso a paso CNC
HANPOSE, motor paso a paso NEMA23 de 24 V, modelos 57HS41/51/56/76/83/100/112-YC-PD, 2,8 A, 126 N·cm, con freno de imán permanente sin tiempo de retardo
Controlador HANPOSE HDP970 189N.cm 2.8A Motor de Pasos Nema23 23HS7628 8mm para Máquina CNC de Fresado Kit de Motor de Pasos CNC
PRUEBA HANPOSE
HANPOSE Motor Paso a Paso de Alta Calidad Preciso 0.7 A 1.8° 2 Fases 39HT22-T5*2 40-500 mm Adecuado para Equipos y Dispositivos Médicos