HANPOSE Nema17 ເມືອງໝູ່ 1.7A 70N.CM 100MM Ball Screw 17HS6401S-SFU1204 3D CNC ອາການ Machine 42 Linear Ball Screw Motor
- ຄຳອະທິບາຍໂດຍຫຍໍ້
- ຜະລິດຕະພັນທີ່ແນະນຳ
ຄຳອະທິບາຍສິນຄ້າ
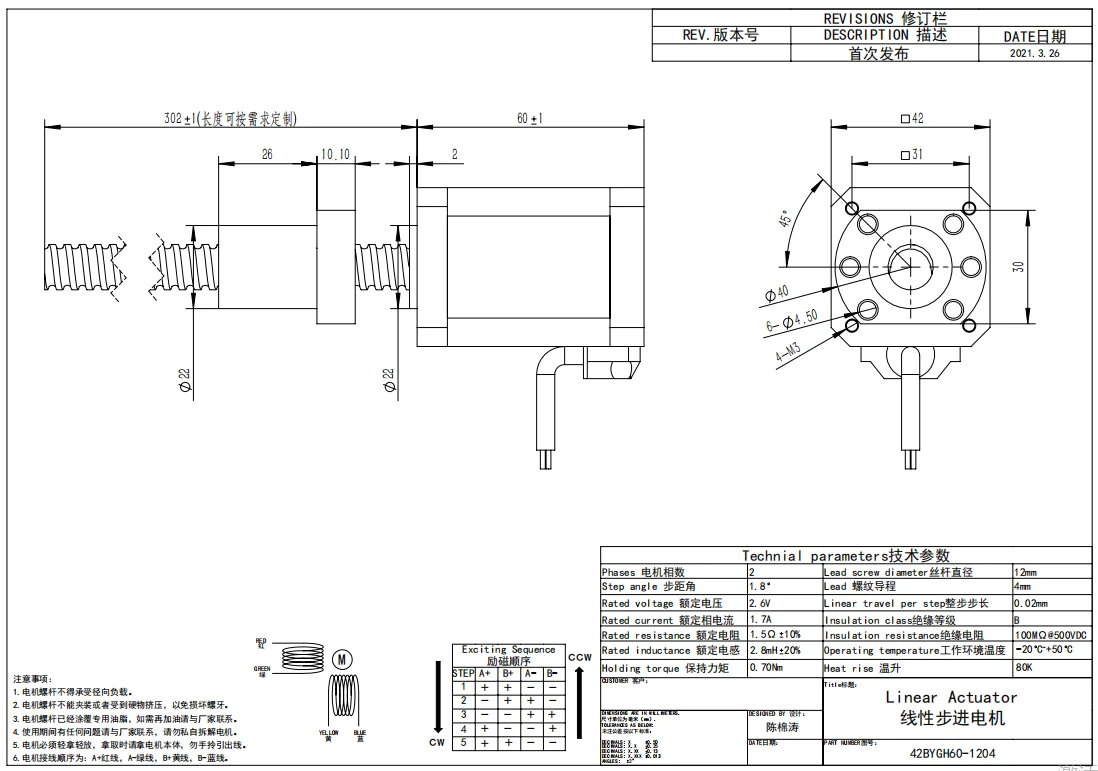
ຮຸ່ນ |
17HS6401S-1204 |
ຄວາມຍາວຂອງເຄື່ອງຂັດ |
60mm |
ມຸມຂັດ |
1.8° |
ການdekected ຕື້ງ |
70N.CM |
ໜັງຫມົດຂອງໂມຕໍ |
450g |
ອັນດັບປັດຈຸບັນ |
1.7A |
ຄວາມແມ່ນຍໍາສູງ |
ຄວາມແທ້ຈິງຂອງການເຄື່ອນໄຫວຂອງເມື່ອງປະຕິບັດ Ball Screw 0.03 |
ເວລາໃຊ້ງານຍືດຍາວ |
ມอเตີ້ Ball Screw ມີຄວາມຖິ່ນທີ່ 2 ລ້ານຄັ້ງ |
ລາຍລະອຽດ ຮູບພາບ

















ໂປີໄຟວ່າທ່ຽງບໍລິສັດ
ການຜະລິດ

ອຸປະກອນ

ໃບຢັ້ງຢືນ

ການຈັດງານສະແດງສິນຄ້າ

ບັດສິນຄ້າ




