ဟန်ပိုးစ် NEMA8 ဒွိလက်မှုန်းမော်တာ 20HS24/34/40/50-SZ 0.8A 0.04N.m လီနီယာမော်တာများ (အပြင်ပိုင်းသုံး) အလှအပပစ္စည်းများအတွက် မိုင်ခရိုမော်တာ
| ၂၀အေစ်၂၄-အက်စ်ဇေ | ၂၀အေစ်၃၄-အက်စ်ဇေ | ၂၀အေစ်၄၀-အက်စ်ဇေ | ၂၀အေစ်၅၀-အက်စ်ဇေ |
- အကြ overview
- အကြံပေးထားသော ထုတ်ကုန်များ
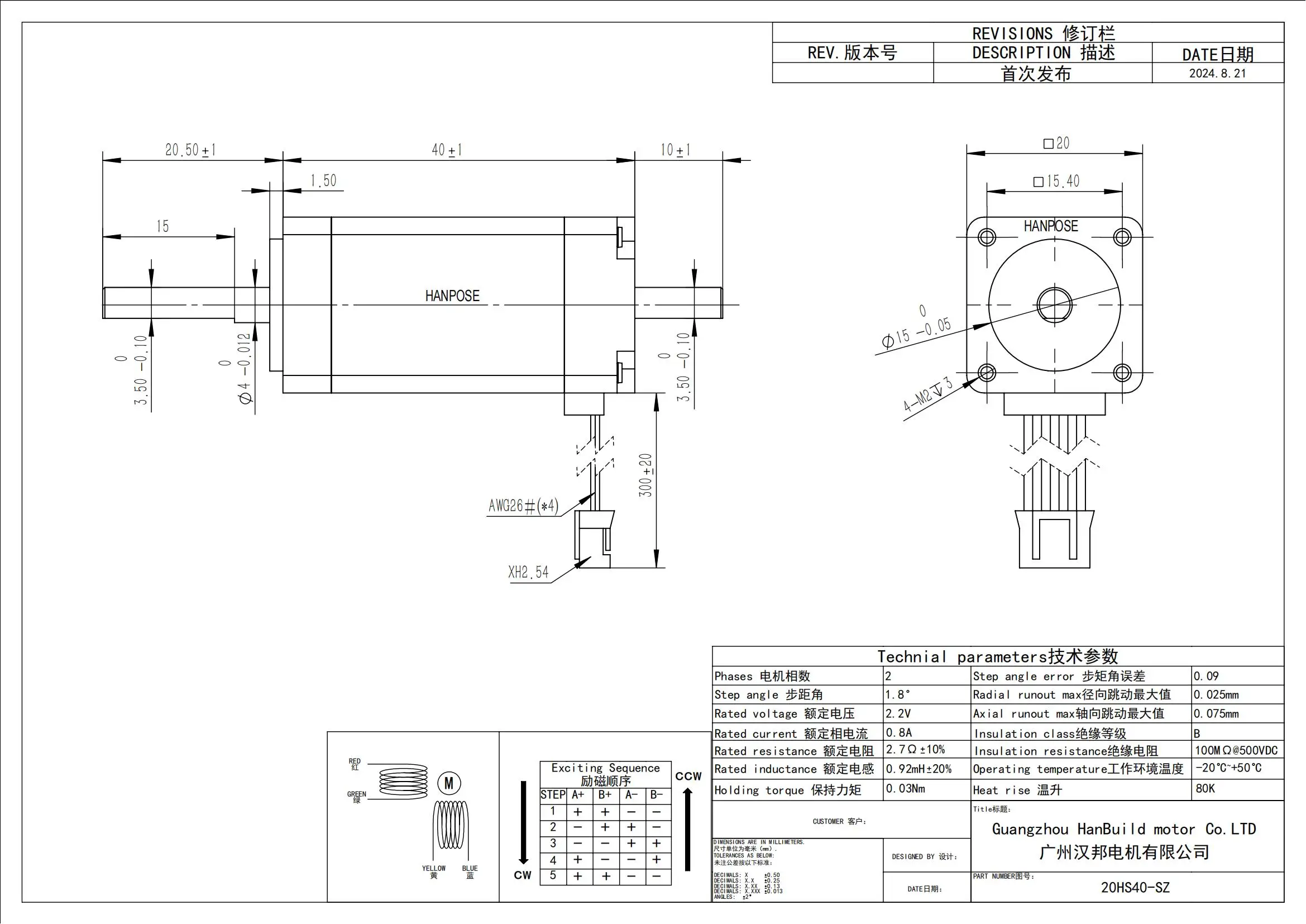
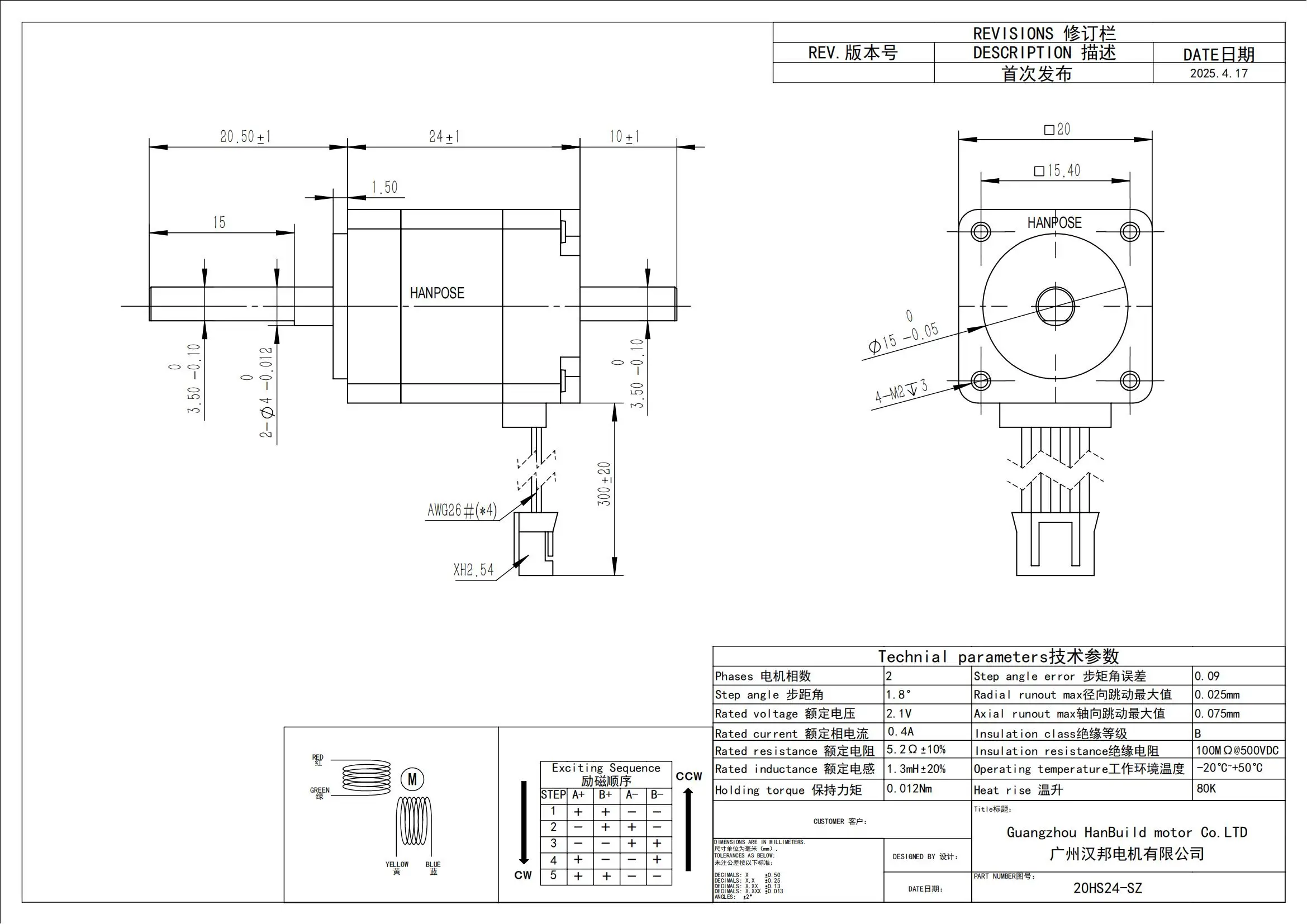
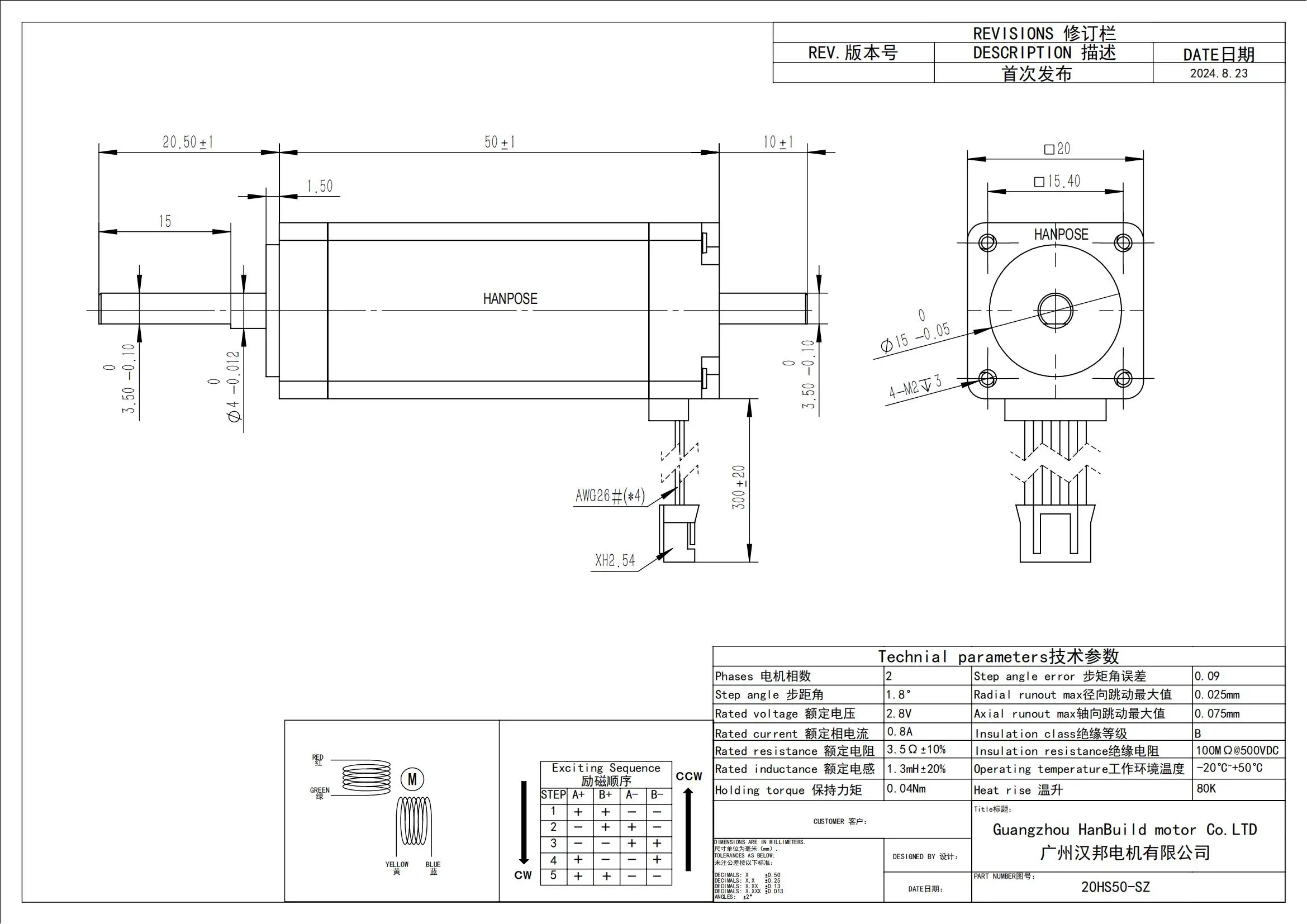
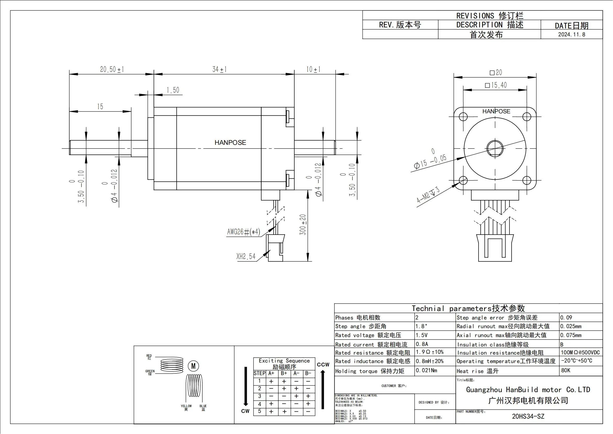
မော်ဒယ် |
20HS24/34/40/50-SZ |
မော်တာလျှော့ချချိန် |
၂၄/၃၄/၄၀/၅၀မီလီမီတာ |
Step angle |
1.8° |
လှုပ်ရှားမှုစီမံကိန်းတွေ့ချက် |
0.04N.M |
မိုတာရောင်းထွက် |
150g |
အဆင့်သတ်မှတ် Current |
0.8A |
မိုတာအကြီးအသေး |
20*20*50မီမီ |
ဖေ့စ်အရေအတွက် |
2 ဖိုင်စတီပါမော်တာ |












