အမျိုးအစားအားလုံး

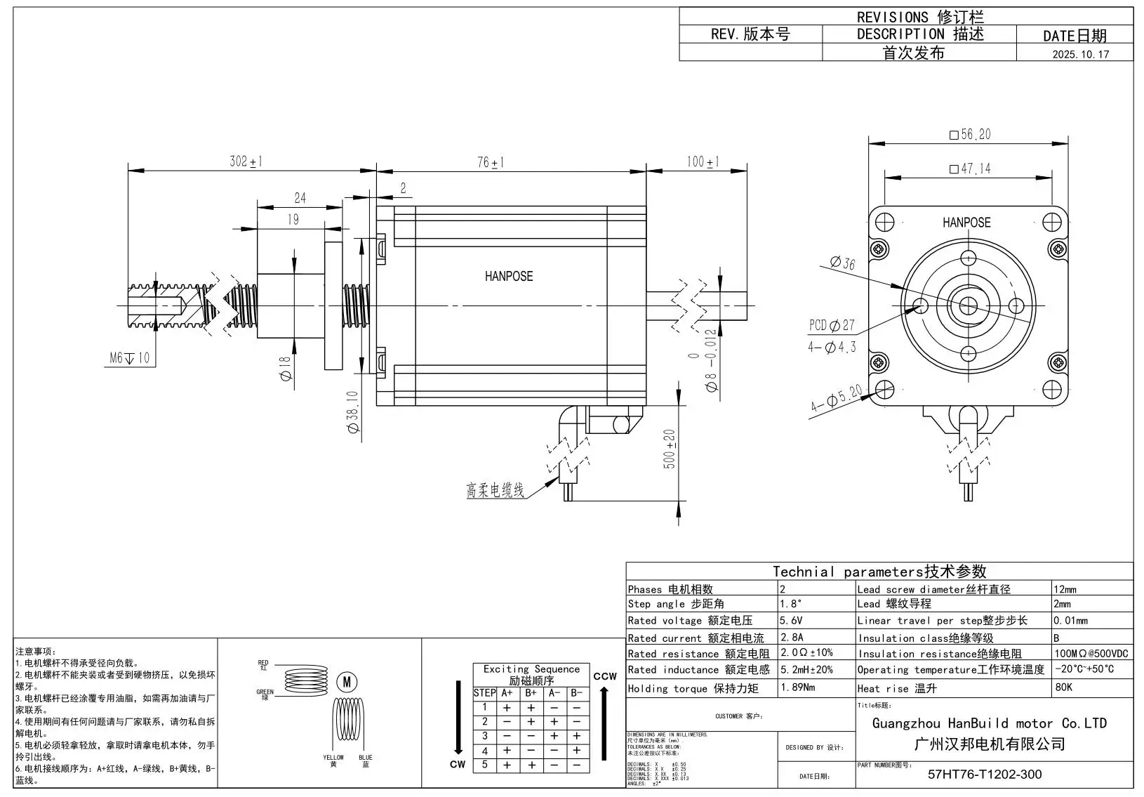
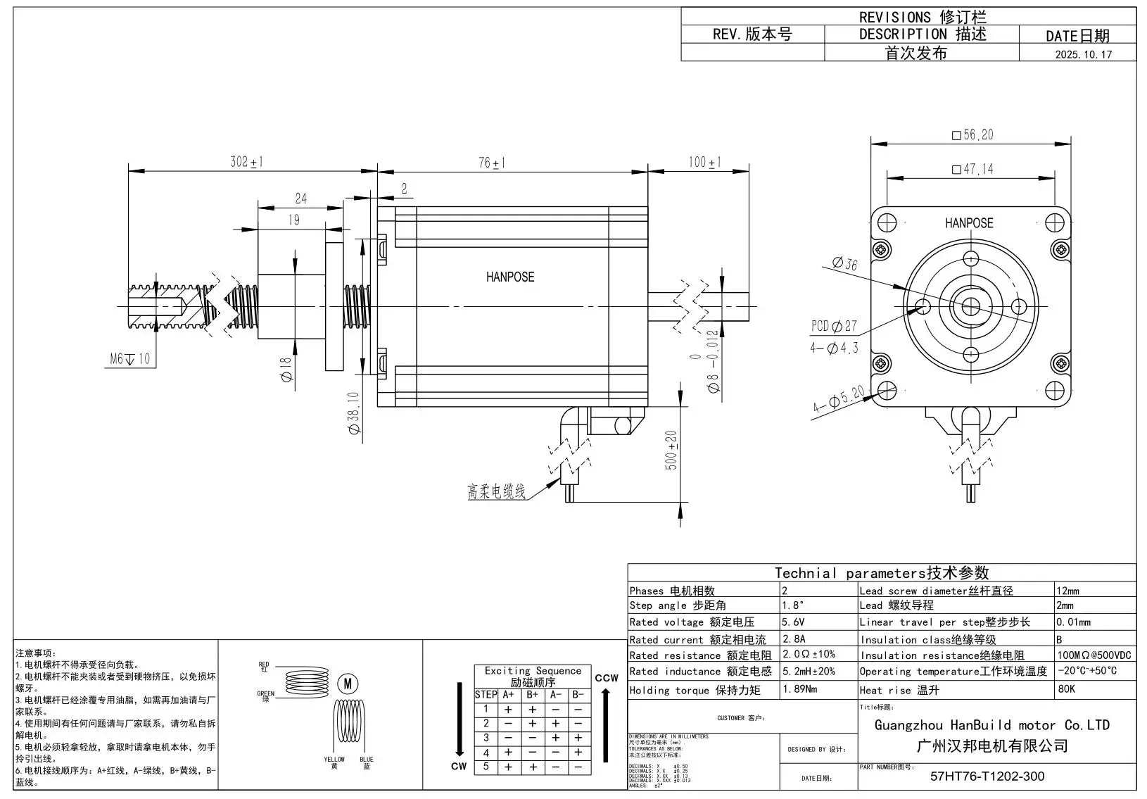
HANPOSE 2.8A 1.8° 57 ဝင်ရိုး စတီပါမော်တာ 57HT76 57HT56-T12*2/4/8/10/12/16/20 100-500mm Nema23 ပ်စက်မော်တာ

  • ဆီလျော်သော
  • အကြံပြုထားသော ပစ္စည်းများ
ထုတ်ကုန်အကြောင်းအရာ
အသေးစိတ် ဓာတ်ပုံများ
ကုမ္ပဏီ အချက်အလက်
ထုတ်လုပ်မှုစီးဆင်းမှု
စက်ပစ္စည်းများ
လက်မှတ်များ
ပြပွဲ
ထုတ်ကုန်ထုပ်ပိုးမှု
အကြံပြုထားသော ပစ္စည်းများ

အခမဲ့ကုန်ပစ္စည်းစျေးကွက်တွက်ချက်မှုရယူပါ

ကျွန်ုပ်တို့၏ ကိုယ်စားလှယ်သည် သင့်ထံသို့ မကြာမီ ဆက်သွယ်ပါမည်။
အီးမေးလ်
နာမည်
ကုမ္ပဏီအမည်
မက်ဆေ့ချ်
0/1000