အားလုံးသော အမျိုးအစားများ

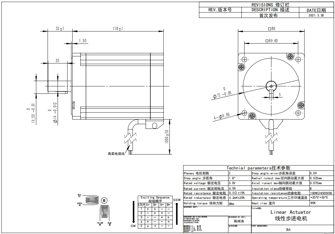
ဟန်ပိုးစ် Nema34 86*86*118မီမီ စတက်ပင်းမော်တာ 34HS8040/9850/11860/15660 CNC အက်ထ်ဂရေးဗင်းစက်အတွက် အမြင့်ဆုံးတော်ကျူးပါသည်။ Nema 34 စတက်ပင်းမော်တာ

86HS80 86HS98 86HS118 86HS156
Spu:
62361660519
  • အကြ overview
  • အကြံပေးထားသော ထုတ်ကုန်များ
ထုတ်ကုန်အကြောင်းအရာ
မော်ဒယ်
34HS8040/9850/11860/15660
မော်တာလျှော့ချချိန်
80/98/118/156 မီလီမီတာ
Step angle
1.8°
လှုပ်ရှားမှုစီမံကိန်းတွေ့ချက်
8N.M
မိုတာရောင်းထွက်
၄၀၀၀g
အဆင့်သတ်မှတ် Current
6.0A
အသေးစိတ် ဓာတ်ပုံများ
အကြံပေးထားသော ထုတ်ကုန်များ

အခမဲ့ ကုန်ကုန်သေးသေး ရယူပါ

ကျွန်ုပ်တို့၏ ကိုယ်စားလှယ်သည် မကြာမီ သင့်ထံသို့ ဆက်သွယ်ပါမည်။
အီးမေးလ်
အမည်
ကုမ္ပဏီအမည်
စာတို
0/1000