Nema 23 စတက်ပါမော်တာ 23HS4128-T8*8 ချောင်း 300mm လိုင်နီယာအက်ကျူးတာများ 55N.cm လိုင်နီယာစတက်ပါမော်တာ ကြေးနောက် လီဒ်ဟိုက်ဘရစ်မော်တာ
- အကြ overview
- အကြံပေးထားသော ထုတ်ကုန်များ
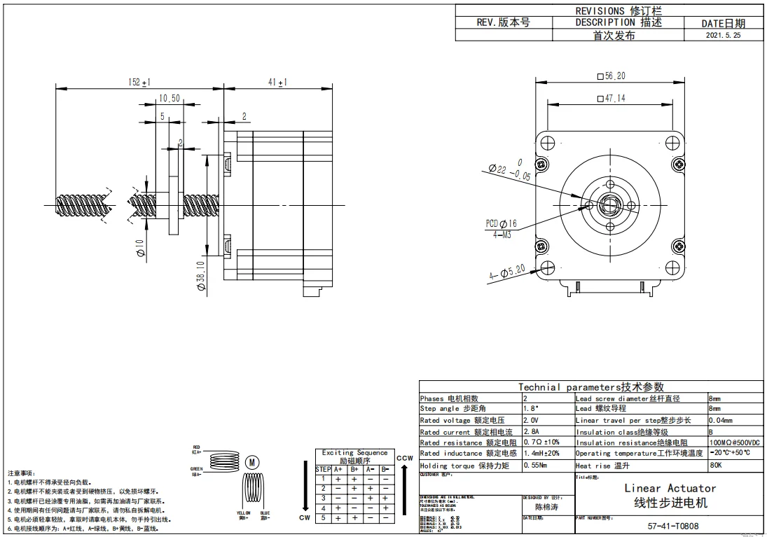
မော်ဒယ် |
23HS4128-T8 |
Step angle |
1.8° |
လှုပ်ရှားမှုစီမံကိန်းတွေ့ချက် |
0.55 N.M |
အဆင့်သတ်မှတ် Current |
2.8A |























