Головна сторінка > Продукти > Кроковий Мотор > Проникаючий мотор
775 80 Вт 4000 об/хв 12 В надійний двигун постійного струму зі щітками, ціна 775 шпиндельний двигун з кульовим підшипником для фрезерного верстата, черв'ячного колеса, машини для обробки країв
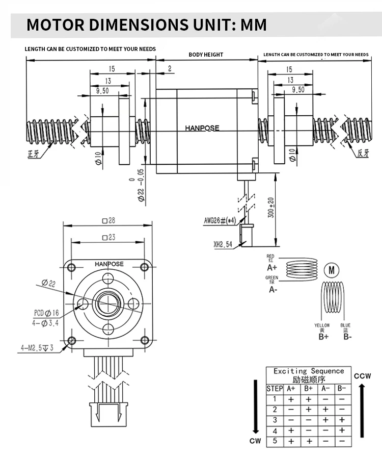
42 Шуруповий мотор 1.8 градусів 17HS6401S-T8*8 Шуруповий мотор Шуруп 200мм Довжина 1.7А 70Н.см Момент 12в Нема17 Кроковий мотор
Hanpose 42 Closed Loop Motor Group Encoder Closed Loop 2.0A 0.6N.m 42EH48A2001 12v Nema17 Stepper Motor Closed Loop
HANPOSE Nema 17 двовалковий двигун 40 мм довжиною 1,8 градуса 17HS4401S-SZ 1,5А 40Н·см для 3D принтерів двовалковий кроковий двигун
Високопродуктивний 1000Вт 80SS100 сервопривідний комплект ASD2100 3.3Н·м 5.4А 3000-6000об/хв Константний автоматизований сервомотор
775 150 Вт 12000 об/хв 12 В високий обертовий момент двигуна з двома кульковими підшипниками класу для ЧПК фрезерного верстата шпиндельний двигун газонокосарка двигун постійного струму